星空外围足球网(

iBLD45W-T
产品中心 一体式集成驱动器外转子无刷电机

iBLD45W-T

它采用32位专用电机控制芯片,集成度高、体积小、拥有完善的保护措施。该电机采用新型的PWM控制技术,使无刷电机运行具有转度高、振动小、噪声低、平稳性好等优点。
选件:
  • iBLD45W-T

    编码器

  • iBLD45W-T

    齿轮箱

  • iBLD45W-T

    接插件

  • iBLD45W-T

    刹车

特点:

1、采用32位电机控制专用芯片

2、输入电压9VDC~30VDC,宽电压输入

3、支持多种调速模式(PWM\模拟量)

4、具备启停、正反转、刹车等控制功能

5、高精度的速度、电流双闭环控制

6、无hall传感器,电感法(高频脉冲注入)

7、具有过压、欠压、过流、过温、堵转等保护功能

8、超高性价比,经济高效

9、可接受定制化


典型案例:

广泛应用于各种中小型自动化设备和仪器,例如:电子加工设备、3C非标自动化设备、锁螺丝机、剥线机、绕线机、端子机、激光机、打标机、喷绘机、中小型雕刻机、自动抓取设备、专用数控机床、包装设备和机器人等。


产品概述:

它采用32位专用电机控制芯片,集成度高、体积小、拥有完善的保护措施。该电机采用新型的PWM控制技术,使无刷电机运行具有转度高、振动小、噪声低、平稳性好等优点。


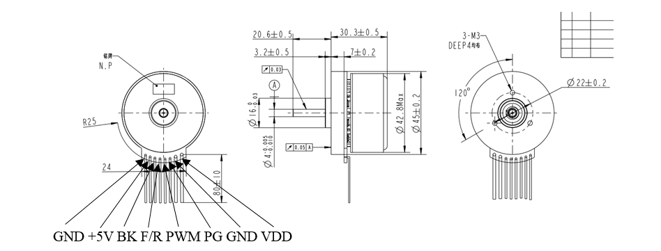
控制端口(JST B08B-PASK  8引脚)


引脚号

信号

功能

说明

1

GND

传感器电源地

传感器电源地,与主电源共地

2

+5V

传感器+5V电源

传感器+5V电源,输出电流<=30mA

3

BK

刹车信号

悬空或接高电平无效(1.7V~24V)

接低电平刹车有效(0V~0.8V)

4

F/R

方向信号

CW\CCW高低电平极性可软件配置

高电平(1.7V~24V

低电平(0V~0.8V)

5

SV/PWM

调速信号

模拟量调速:0.5V~4.5V

PWM调速: 负占空比有效

0~5%全速

5~95%线性调速

 95~100%停止

6

PG

转速信号

TTL-5V电平,1脉冲/1对极/

7

GND

电源负极

电源输入负端

8

VDD

电源正极

电源输入正端,输入电压9V~30Vdc


电机尺寸

image

资料下载
iBLD45W-T外转子系列驱动器使用说明书 -无感方波 626.27 KB
调试软件 196 B
2D 220.5 KB
3D 7.45 MB

Copyright 2023 版权所有 江苏富兴电机技术股份有限公司