星空外围足球网(

FL42CBL
产品中心 经济型无刷电机

FL42CBL

Φ42mm 经济型无刷电机,24VDC, 3200RPM~5900RPM
选件:
  • FL42CBL

    编码器

  • FL42CBL

    齿轮箱

  • FL42CBL

    接插件

  • FL42CBL

    刹车

特性概要 ( General Specifications )


绕组连接方式 ( Winding Type )

星形 ( Star connection)

霍尔分布角度 ( Hall Effect Angle )

120度电角度 ( Electrical Angle of 120 degree)

径向间隙 ( Radial Play )

0.02mm@450g

轴向间隙 ( Axial Play )

0.08mm@450g

最大径向负载 ( Max radial force )

15N  距法兰10mm ( 10mm From the flange)

最大轴向负载 ( Max axial force )

10N

介电强度 ( Dielectric Strength )  

600VAC/1S

绝缘电阻 ( Insulation Resistance )

100MΩ, 500VDC

环境温度 ( Ambient Temperature )

-20°C   ~   +50°C

绝缘等级 (Insulation Class)

Class B 


接线说明(Electric Connection)

引出线型号Type

引出线颜色Color

功能Functions

UL1430 AWG26

红色  ( Red)

霍尔电源正  ( Vcc )

蓝色  ( Blue )

霍尔 U ( Hu )

绿色  ( Green )

霍尔 V ( Hv )

白色  ( White )

霍尔 W ( Hw )

黑色  ( Black)

霍尔电源负 ( GND )

UL1332 AWG22

黄色  (Yellow )

U相 ( Phase U )

红色  ( Red)

V相 ( Phase V )

黑色  ( Black)

W相 ( Phase W )


电性能 (Electrical Specifications)             


单 位 (Unit)

FL42CBL60-24V-3240A

FL42CBL60-24V-5943

FL42CBL66-24V-4063A

极数  ( Number of poles )



8


相数  ( Number of phases )



3


额定电压 ( Rated  voltage )         

VDC


24


额定转矩 ( Rated torque)        

mN.m

120

68

150

连续运行转矩 ( Continuous stall torque)

mN.m

144

81.6

180

额定速度 ( Rated speed )         

RPM

3200

5900

4000

额定功率 ( Rated power )         

W

40

43

63

峰值转矩 ( Peak torque )          

mN.m

360

204

450

峰值电流 ( Peak current )         

A

6.7

6.3

11.2

线电阻 ( Line to line resistance )              

ohms@20℃ 

1.2

0.6

0.75

线电感 ( Line to line inductance )              

mH  

1.6

0.63

0.8

转矩常数( Torque constant )         

mN.m/A

54

32.4

40.5

反电势 ( Back EMF )           

Vrms/KRPM

4.0

2.4

3

转动惯量 ( Rotor inertia )           

g.cm2

44

44

55

机身长度 ( Motor length )       L

mm

60

60

66

重量 ( Weight )               

Kg

0.35

0.35

0.44


该款电机可以根据客户需求定制。

The motor can be designed &manufactured with customized request.


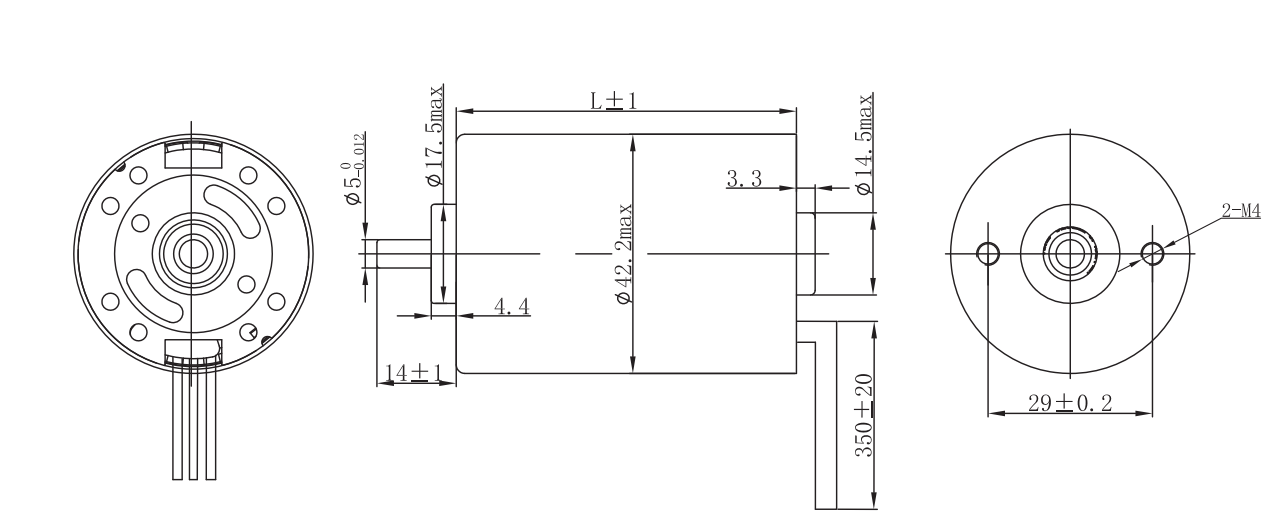
电机尺寸

image

资料下载
FL42CBL66-24V-4063A 240.67 KB
FL42CBL60-24V-3240A 377.33 KB

Copyright 2023 版权所有 江苏富兴电机技术股份有限公司