星空外围足球网(

FL35STC
产品中心 内置接插件型步进电机

FL35STC

1.8° 35mm, Nema 14, STC结构内藏接插件式步进电机
选件:
  • FL35STC

    编码器

  • FL35STC

    齿轮箱

  • FL35STC

    接插件

  • FL35STC

    刹车

特性概要(General specification)

项目(Item)

说明(Specifications)

步距角(Step Angle)

1.8°

步距角精度(Step Angle Accuracy)

±5% (整步无负载,full step, no load)

径向间隙( Radial Play)

0.02mm@450 g

轴向间隙( Axial Play)

0.08mm@450 g

最大径向负载(Max. radial force)

28N  距法兰20mm  (20mm from the flange)

最大轴向负载(Max. axial force)

10N  

介电强度(Dielectric Strength)

600VAC / 1s

绝缘电阻(Insulation Resistance)

100MΩ ,500VDC

环境温度(Ambient Temperature)

-20。C~+50。C

绝缘等级(Insulation Class)

Class B


电性能(Electrical specifications)

型号(Model No.)

Current

/Phase

每相

电流

Resistance

/Phase

每相

电阻

Inductance

/Phase

每相

电感

Holding

Torque

保持

转矩

Detent

Torque

定位

转矩

# of Leads

引出

线数

Rotor

Inertia

转动

惯量

Weight

重量

Length

机身

长度

Single shaft

(单出轴)

A

Ω

mH

N.m

N.m

#

g-cm2

kg

mm

FL35STC38-1204AC

1.2

2.7

4.2

0.18

0.018

4

20

0.21

38±1 

FL35STC44-1204AC

1.2

3.2

5.2

0.28

0.02

4

28

0.23

44±1

                 

该款电机可以根据客户需求定制。

The motor can be designed &manufactured with customized request.


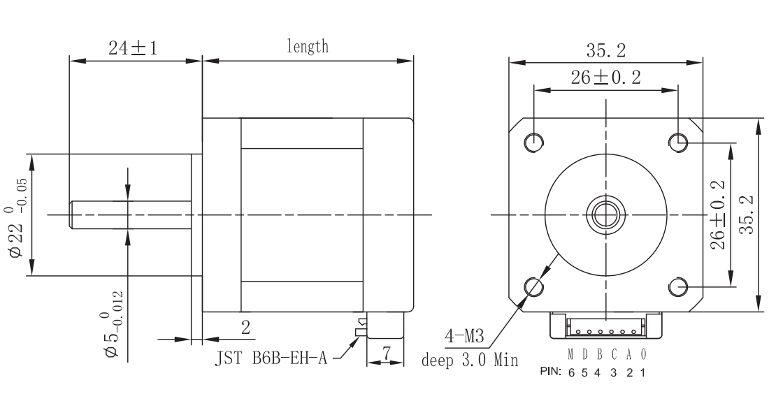
电机尺寸

image



接线图(Wiring Diagram)

image

矩频曲线 (Pull out torque curve)

image



资料下载
FL35STC38-1204AC 188.01 KB
FL35STC44-1204AC 187.35 KB

Copyright 2023 版权所有 江苏富兴电机技术股份有限公司