星空外围足球网(

FL28CBLA
产品中心 经济型无刷电机

FL28CBLA

Φ28mm 经济型无刷电机,24VDC, 4000RPM~4500RPM
选件:
  • FL28CBLA

    编码器

  • FL28CBLA

    齿轮箱

  • FL28CBLA

    接插件

  • FL28CBLA

    刹车

特性概要 ( General Specifications )

绕组连接方式 ( Winding Type )

星形 ( Star connection)

霍尔分布角度 ( Hall Effect Angle )

120度电角度 ( Electrical Angle of 120 degree)

径向间隙 ( Radial Play )

0.02mm@450g

轴向间隙 ( Axial Play )

0.08mm@450g

最大径向负载 ( Max radial force )

5N  距法兰10mm ( 10mm From the flange)

最大轴向负载 ( Max axial force )

2N

介电强度 ( Dielectric Strength )  

600VAC/1S

绝缘电阻 ( Insulation Resistance )

100MΩ, 500VDC

环境温度 ( Ambient Temperature )

-20°C   ~   +50°C

绝缘等级 (Insulation Class)

Class B 


接线说明(Electric Connection)

引出线型号Type

引出线颜色Color

功能Functions

UL1061 AWG28

黄色  (Yellow )

霍尔电源正  ( Vcc )


蓝色  ( Blue )

霍尔 U ( Hu )


橙色  ( Orange )

霍尔 V ( Hv )


棕色  ( Brown )

霍尔 W ( Hw )


白色  ( White )

霍尔电源负 ( GND )

UL1007 AWG22

绿色  ( Green )

U相 ( Phase U )


红色  ( Red)

V相 ( Phase V )


黑色  ( Black)

W相 ( Phase W )


电性能 (Electrical Specifications)             


单 位 (Unit)

FL28CBLA38-24V-4012A

FL28CBLA48-24V-4524A

极数  ( Number of poles )


8

相数  ( Number of phases )


3

额定电压 ( Rated  voltage )         

VDC

24

额定转矩 ( Rated torque)        

mN.m

28

50

连续运行转矩 ( Continuous stall torque)

mN.m

33.6

60

额定速度 ( Rated speed )         

RPM

4000

4500

额定功率 ( Rated power )         

W

12

24

峰值转矩 ( Peak torque )          

mN.m

84

150

峰值电流 ( Peak current )         

A

2.0

4.5

线电阻 ( Line to line resistance )              

ohms@20℃ 

5.7

2.5

线电感 ( Line to line inductance )              

mH  

2.48

1.2

转矩常数 ( Torque constant )         

mN.m/A

42.8

36

反电势 ( Back EMF )           

Vrms/KRPM

3.165

2.68

转动惯量 ( Rotor inertia )           

g.cm2

5.8

7.3

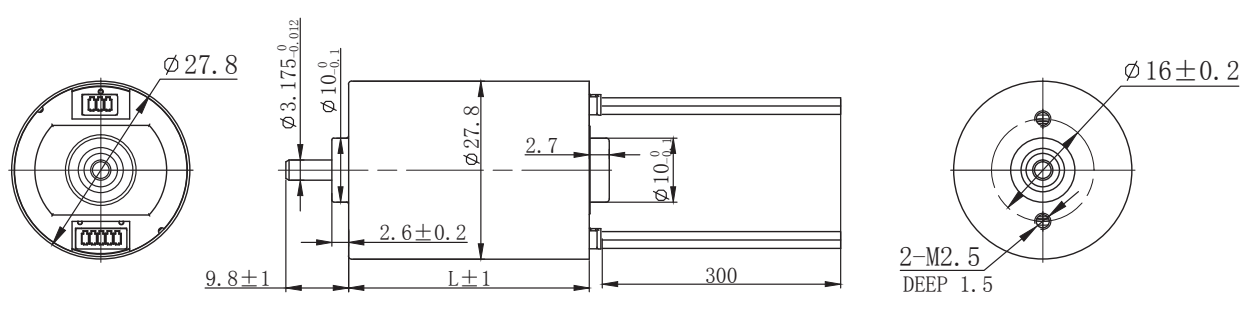
机身长度 ( Motor length )       L

mm

38

48

重量 ( Weight )               

Kg

0.095

0.12


该款电机可以根据客户需求定制。

The motor can be designed &manufactured with customized request.


电机尺寸

image

资料下载
FL28CBLA38-24V-4012A 232.82 KB
FL28CBLA48-24V-4524A 264.69 KB

Copyright 2023 版权所有 江苏富兴电机技术股份有限公司