星空外围足球网(

FL85HSV
产品中心 无框电机

FL85HSV

85mm无框电机,48VDC
选件:
  • FL85HSV

    编码器

  • FL85HSV

    齿轮箱

  • FL85HSV

    接插件

  • FL85HSV

    刹车

项目(Items)

FL85HSV23

FL85HSV13

公差(Tolerance)

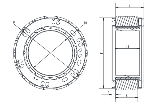
定子外径D

85mm

85mm

±0.043(js9)

定子长度L

36mm

27.5mm

±1

转子内径D1

52mm

52mm

+0.046/0(H8)

转子长度L1

34mm

22.5mm

±0.25

灌胶面外圆E

81mm

81mm

±0.2

灌胶面高度F

4.2mm

4.2mm

±0.3

定子铁芯高度A

23mm

13mm

0/-0.5


特性概要 ( General Specifications )

绕组连接方式

( Winding Type   )

星形 ( Star   connection)

霍尔分布角度

 ( Hall Effect Angle )

120度电角度 (   Electrical Angle of 120 degree)

介电强度

( Dielectric   Strength ) 

1000VAC/1S

绝缘电阻

 ( Insulation Resistance )

100MΩ, 500VDC

环境温度

( Ambient   Temperature )

-20°C   ~     +50°C

绝缘等级

(Insulation   Class)

Class B


接线说明(Electric Connection)

引出线颜色

Color

引出线型号

Type

功能

Functions

PIN1

Connector for   Hall is optional

Type:   SM07B-GHS-TB

热敏NTC2

PIN2

热敏NTC2

PIN3

霍尔电源负 (   GND )

PIN4

霍尔 U (   Hu )

PIN5

霍尔 U (   Hv )

PIN6

霍尔 W (   Hw )

PIN7

霍尔电源正  ( Vcc )

黄色  ( Yellow )

UL1332   AWG22

U (   Phase U )

红色  ( Red )

V (   Phase V )

黑色  ( Black)

W (   Phase W )


电性能 (Electrical Specifications)


(Unit)

FL85HSV13-48V-29400

FL85HSV23-48V-350730

极数  ( Number of poles )

 

20

20

相数  ( Number of phases )


3

3

额定电压 (   Rated  voltage )        

VDC

48

48

额定转矩 (   Rated torque)       

N.m

1.2

2.0

额定电流(Rated current)                

A

8.6

15

额定速度 (   Rated speed )        

RPM

2950

3500

额定功率 (   Rated power )        

W

370

732

最大转速(Maximum speed)              

RPM

3700

4000

峰值转矩 (   Peak torque )         

N.m

3.6

6.0

峰值电流 (   Peak current )        

A

25.8

45

线电阻 (   Line to line resistance )             

ohms@20

0.23

0.09

线电感 (   Line to line inductance )             

mH 

0.28

0.12

转矩常数 (   Torque constant )        

Nm/A

0.15

0.14

反电势 (   Back EMF )          

Vrms/KRPM

9

8.3

重量 (   Weight )              

g

386

597

电气时间常数(Electrical   time constant)   

ms

1.22

1.33

根据要求,该款电机可以设计和制造成定制的类型。

The motor can be designed &manufactured with customized request.

电机尺寸

image

资料下载

Copyright 2023 版权所有 江苏富兴电机技术股份有限公司