星空外围足球网(

FL57STC
产品中心 空心轴步进电机

FL57STC

1.8° 57mm, Nema 23, STC-H结构空心轴步进电机
选件:
  • FL57STC

    编码器

  • FL57STC

    齿轮箱

  • FL57STC

    接插件

  • FL57STC

    刹车

特性概要(General specification)

项目(Item)

说明(Specifications)

步距角(Step Angle)

1.8°

步距角精度(Step Angle Accuracy)

±5% (整步无负载,full step, no load)

径向间隙( Radial Play)

0.02mm@450 g

轴向间隙( Axial Play)

0.08mm@450 g

最大径向负载(Max. radial force)

75N  距法兰20mm  (20mm from the flange)

最大轴向负载(Max. axial force)

15N  

介电强度(Dielectric Strength)

600VAC / 1s

绝缘电阻(Insulation Resistance)

100MΩ ,500VDC

环境温度(Ambient Temperature)

-20。C~+50。C

绝缘等级(Insulation Class)

Class B


电性能(Electrical specifications)

型号(Model No.)

Current

/Phase

每相

电流

Resistance

/Phase

每相

电阻

Inductance

/Phase

每相

电感

Holding

Torque

保持

转矩

Detent

Torque

定位

转矩

# of Leads

引出线数

Rotor

Inertia

转动惯量

Weight

重量

Length

机身

长度

Single shaft

(单出轴)

A

Ω

mH

N.m

N.m

#

g-cm2

kg

mm

FL57STC41-2804B-H

2.8

   0.78

1.8

0.6

0.025

4

120

0.45

40.5±1 

FL57STC76-2804B-H

2.8

1.3

5.3

2.3

0.068

4

480

1.1

77.5±1


该款电机可以根据客户需求定制。

The motor can be designed &manufactured with customized request.


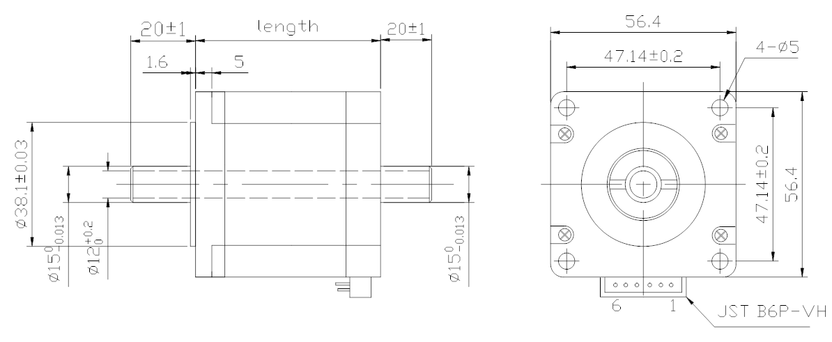
电机尺寸

image

image



接线图(Wiring Diagram)

image

矩频曲线 (Pull out torque curve)

image


资料下载

Copyright 2023 版权所有 江苏富兴电机技术股份有限公司