星空外围足球网(

42JMGS100K-42STH
产品中心 减速电机

42JMGS100K-42STH

1.8° 42mm, Nema 17, 配42mm行星齿轮箱步进电机
选件:
  • 42JMGS100K-42STH

    编码器

  • 42JMGS100K-42STH

    齿轮箱

  • 42JMGS100K-42STH

    接插件

  • 42JMGS100K-42STH

    刹车

混合式步进行星齿轮减速电机  (内齿圈材质:金属)

Planetary Gear Stepping Motor  (Ring Gear Material: Metal)


FL42STH/42JMGS100K

Φ42行星减速器,允许转矩范围:3N.m~10N.m


42mm Planetary Gearbox,Permissible Load Range: 3N.m~10N.m


行星齿轮减速器  Planetary Gearhead

内齿圈材料 Ring material金属 metal
输出轴轴承形式  Bearing at output滚动轴承Ball bearings
最大允许径向负载(离法兰10mm处)
Max. Radial load(10mm from flange)
100N
最大允许轴向负载 Max. shaft axial load50N
径向间隙(测量点尽量接近法兰)Radial play of shaft(near to flange)≤0.07 mm
轴向间隙 Axial play of shaft≤0.3 mm


FL42STH混合式步进电机性能  FL42STH Hybrid Stepping Motor Specifications

Model No.额定电压每相电流每相电阻每相电感保持转矩引出线数转动惯量重 量长度L1适配减速比

Rated VoltageCurrent/PhaseResistance/Phaselnductance/PhaseHoldingTorque# of LeadsRotor lnertiaWeightLength L1Max. Gear Ratio
单轴 Single ShaftVAΩmHkg.cm
g-m2kgmm
FL42STH33-1334A2.81.332.12.52.24350.2234≤1:118
FL42STH38-1684A2.81.681.653.23.64540.2840≤1:91


行星减速器性能  Planetary Gearbox Specifications

减 速 比   Reduction ratio3.824.88151924567191116213271346
 精确减速比   Accurate Reduction Ratio42/1139/81764/121819/441521/6474088/133117199/24231941/35259319/512411889/1938361179/1331670761/1936
减速级数 Number of gear trains1234
减速器长度(L2)  Length(L2) mm36.947.457.768
最大额定转矩 kg.cm3050100100
Max. rated torque



瞬间允许转矩 kg.cm90150300300
Short time permissible torque



效 率 Efficiency %0.90.810.730.66
背隙(无负载时)Backlash at no-load0.5°1.0°1.5°1.5°
重 量 Weight g229300371442


该款电机可以根据客户需求定制。

The motor can be designed &manufactured with customized request.


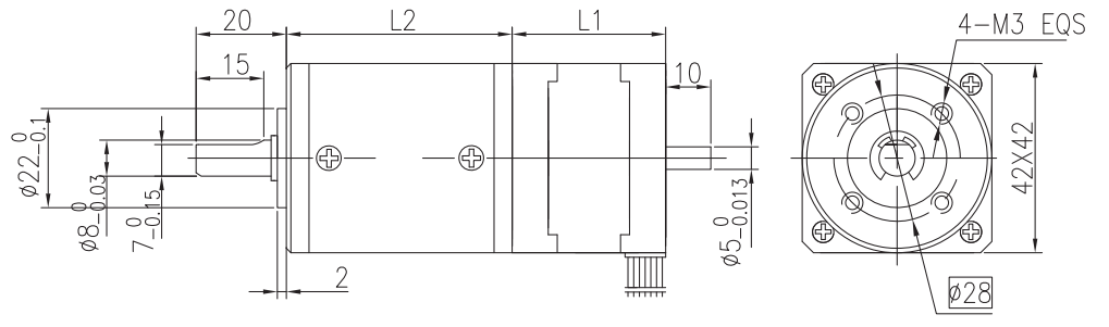
电机尺寸

image

资料下载

Copyright 2023 版权所有 江苏富兴电机技术股份有限公司