星空外围足球网(

15/20/25/35/42/57BYT
15/20/25/35/42/57BYT
15/20/25/35/42/57BYT
产品中心 PM步进电机

15/20/25/35/42/57BYT

Φ15,20,25,35,42,57mm 永磁式直线步进电机(外部驱动式)
选件:
  • 15/20/25/35/42/57BYT

    编码器

  • 15/20/25/35/42/57BYT

    齿轮箱

  • 15/20/25/35/42/57BYT

    接插件

  • 15/20/25/35/42/57BYT

    刹车

微信截图_20230620144510

电性能参数Specifications

型号

Model

步距角

Step Angle (Deg.)

相数

No. of Phase

电压

Voltage(V)

电流

Current(A)

电阻

Resistance(Ω)

电感

Inductance(mH)

保持力矩

Holding Torque

(g.cm)

牵出力矩/ 推力

Pull-in Torque (g.cm))/ Push Torque(N)

定位力矩

Detent Torque (g.cm)

引出线型号

Leads

接线图

Wdg

外形图

Fig

15BYT-01

18

2

12

0.07

170

28

25

5g.cm

10

UL 1571 30#

a

1

18BY30Z-01

18

2

12

0.11

110



6N



a

2

20BYT-01

18

2

5

0.5

10

4.6

60

10g.cm

20

UL 1068 28#

a

3

20BYZ-09

18

2

12

0.6

20

12.8


10N


UL 1571 28#

a

4

25BY24T-04

15

2

12

0.48

25

10.9

180

45g.cm

35

UL 1068 28#

a

6

25BY24T-12

15

2

3.3

0.33

10

4.7

100

25g.cm

40

UL 1068 28#

a

5

25BY48T-12

7.5

2

12

0.143

84

48

150

50g.cm

30

UL 1068 28#

a

7

25BY48T-31

7.5

2

3.3

0.33

10

4.7

100

25g.cm

40

UL 1068 28#

a

5

35BY24LZ-01

15

4

24

0.28

85

32.9

450

110g.cm

130

UL 1007 26#

b

8

35BY48LZ-01

7.5

4

12

0.2

60

31.6

520

50g.cm

125

UL 1007 26#

b

8

35BY48SZ-01

7.5

4

5

0.71

7

3

450

60g.cm

75

UL 1007 26#

b

9

42BY48LZ-01

7.5

4

12

0.18

70

50.5

500

60g.cm

125

UL 1007 26#

c

10

42BY48SZ-01

7.5

4

12

0.3

40

20.7

550

70g.cm

100

UL 1095 26#

b

11

57BY48Z-01

7.5

4

12

0.6

21

23.5

1500

320g.cm

425

UL 1007 26#

b

12

 

该款电机可以根据客户需求定制。

The motor can be designed &manufactured with customized request.


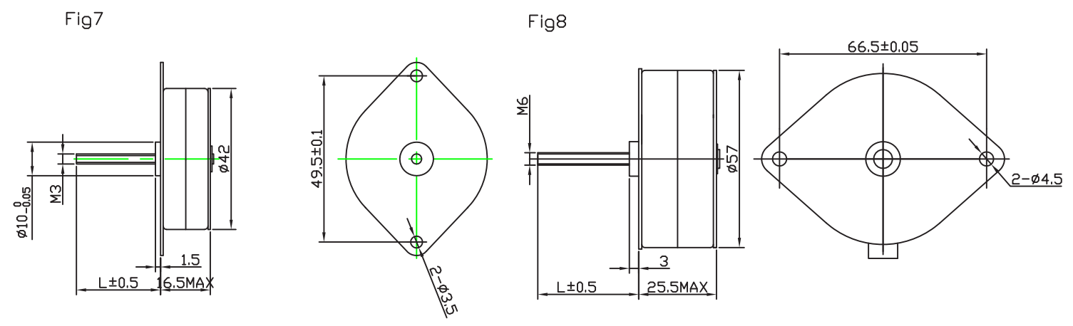
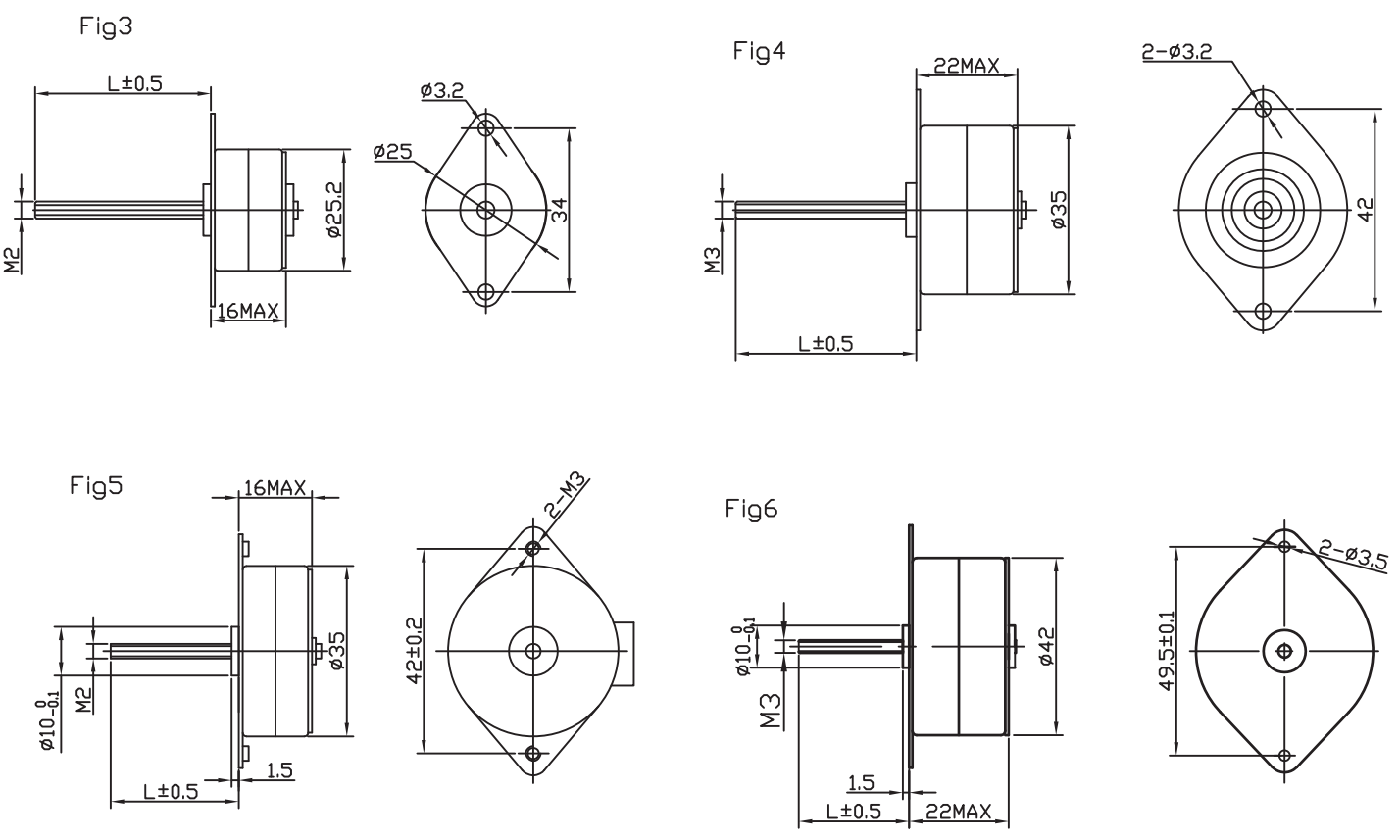
电机尺寸

imageimageimage



接线图

image

资料下载

Copyright 2023 版权所有 江苏富兴电机技术股份有限公司