特性概要(General specification)
项目(Item) | 说明(Specifications) |
步距角(Step Angle) | 0.72° |
步距角精度(Step Angle Accuracy) | ±5% (整步无负载,full step, no load) |
径向间隙( Radial Play) | 0.02mm@400 g |
轴向间隙( Axial Play) | 0.08mm@400 g |
最大径向负载(Max. radial force) | 28N 距法兰5mm (5mm from the flange) |
最大轴向负载(Max. axial force) | 7N |
介电强度(Dielectric Strength) | 600VAC / 1S |
绝缘电阻(Insulation Resistance) | 100MΩ ,500VDC |
环境温度(Ambient Temperature) | -20℃~+50℃ |
绝缘等级(Insulation Class) | Class B |
电性能(Electrical specifications)
型号(Model No.) | Current /Phase 每相 电流 | Resistance /Phase 每相 电阻 | Inductance /Phase 每相 电感 | Holding Torque 保持 转矩 | Detent Torque 定位 转矩 | # of Leads 引出线数 | Rotor Inertia 转动惯量 | Weight 重量 | Length 机身 长度 |
Single shaft(单出轴) | A | Ω | mH | N.m | N.m | # | g-cm2 | kg | mm |
FL285P51-1205AF | 1.2 | 1.0 | 0.48 | 0.091 | 0.008 | 5 | 18 | 0.2 | 52±1 |
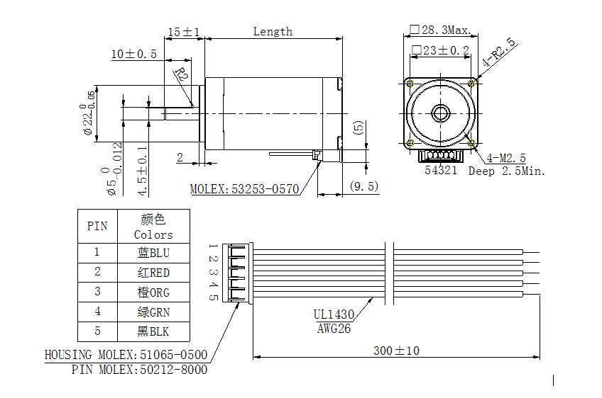
机械尺寸(Dimension)

接线图(Wiring Diagram)

矩频曲线(Pull out torque curve)

Copyright 2023 Copyright Jiangsu Fulling Motor Technology Co., Ltd.