特性(Characteristic) | 参数(Parameter) | ||
编码器类型(Encoder type) | 1、光电编码器 Optical encoder 2、磁编码器 Magnetic encoder 3、旋转变压器Resolver 备注:多种分辨率可选,增量式、绝对值式可选。 Note: Multiple resolutions are available;Incremental and absolute values are available. | ||
径向负载( Max radial force ) | 630N @ 20mm from the flange |
环境条件 Environmental conditions | 使用环境温度: -20℃~ +50℃; Temperature: -20℃~ +50℃ 使用环境湿度:≤90%RH(无凝露); Relative humidity: ≤90%RH(No dewing) 安装环境:远离腐蚀、可燃性气体,油滴,灰尘, 海拔≤1000m(1000~4000m,降额使用); Installation environment: Far away active gas, Combustible gas, oil drop, ash. altitude≤1000m(1000~4000m,Derating use); 存储环境:-20℃~ +85℃,≤85%RH(无凝露)。 Storage Condition: -20℃~ +85℃,≤85%RH(No dewing). |
轴向负载( Max axial force ) | 315N | ||
绝缘等级(Insulation Class) | Class B | ||
防护等级(Protection level) | IP65 | ||
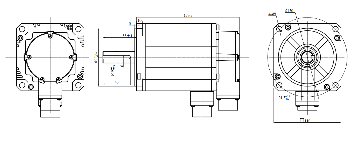
类型 (Model) | 单位(Unit) | FL110SV150 | FL110SV200 | |||
额定功率(Rated power) Pn | W | 1500 | 2000 | |||
额定电压(Rated voltage) U | V | 220VAC | 48VDC | 220VAC | 48VDC | |
额定转速(Rated speed) nn | RPM | 3000 | 3000 | 3000 | 3000 | |
额定转矩(Rated torque) Tn | N·m | 4.77 | 4.77 | 6.37 | 6.37 | |
额定电流(Rated current) In | A | 7.6 | 43.4 | 10.1 | 58 | |
最大转速(Maximum speed) nmax | RPM | 5000 | 5000 | 5000 | 5000 | |
最大转矩(Maximum torque) Tm | N·m | 14.3 | 14.3 | 19.1 | 19.1 | |
最大电流(Maximum current) Im | A | 22.8 | 130 | 30.3 | 174 | |
电阻(Line to line resistance) RL | Ω | 0.36 | 0.01 | 0.29 | 0.009 | |
电感(Line to line inductance) LL | mH | 5.6 | 0.16 | 4.8 | 0.145 | |
反电势系数(Back EMF) Ke | V/Krpm | 38.1 | 6.35 | 38.1 | 6.63 | |
转矩系数(Torque constant) Kt | Nm/A | 0.63 | 0.11 | 0.63 | 0.11 | |
电气时间常数(Electrical time constant) τe | ms | 15 | 16 | 16.5 | 16.1 | |
机械时间常数(Mechanical time constant) τm | ms | 0.48 | 0.48 | 0.51 | 0.53 | |
转动惯量(Rotor inertia) Jm0 | kg.cm² | 3.1 | 3.1 | 4.1 | 4.1 | |
转动惯量带制动器(Rotor inertia with brake) Jm1 | kg.cm² | 3.47 | 3.47 | 4.47 | 4.47 | |
极数(Number of poles) | 10 | 10 | 10 | 10 | ||
编码器(Encoder) | 2500ppr光电编码器(增量式) 2500p/rev incremental encoder | |||||
机身长度(Motor length) L1 | mm | 151.5 | 156.5 | 168.5 | 173.5 | |
机身长度带制动器(Motor length with brake) L2 | mm | 187 | 192 | 204 | 209 | |
重量 (Weight) | Kg | 5 | 5.2 | 6.7 | 6.9 | |
重量带制动器(Weight with brake) | Kg | 6 | 6.2 | 7.7 | 7.9 | |
动力线的连接器接线定义见图纸。
编码器的连接器接线定义见图纸。
该款电机可以根据客户需求定制。
The motor can be designed &manufactured with customized request.


Copyright 2023 Copyright Jiangsu Fulling Motor Technology Co., Ltd.