1. SPECIFICATIONS
Winding | Unipolar/Bipolar | ||||
Type | Captive, Non-Captive, External | ||||
Step Angle | 7.5 | 15 | |||
Voltage | V | 5 | 12 | 5 | 12 |
Current/phase | mA | 370 | 160 | 370 | 160 |
Resistance/Phase | Ω | 13.5 | 70 | 13.5 | 70 |
Inductance/Phase | mH | 12.5 | 65 | 9.5 | 47 |
Travel per step Avail | mm | 0.0127 | 0.0254 | ||
0.0254 | 0.0508 | ||||
0.0508 | 0.1016 | ||||
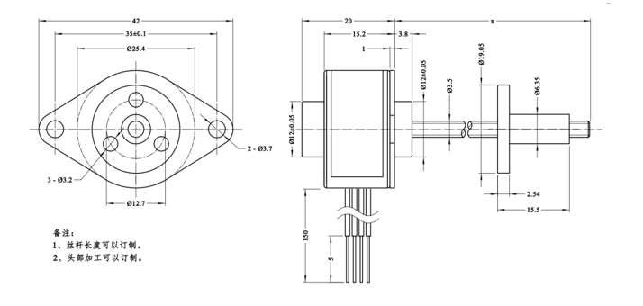
NOTE:The motor can be designed with customized request
Screw diameter Optional ① 3.5 ② 4.77(mm)
Lead Optional ① 0.3048、0.6096、1.0、1.2192、2.0、2.4384、4.0、8.0......(mm);② 0.635、1.27、2.54、5.08、10.16 ......(mm)
Travel per step Avail =(Step Angle/360)* Lead(mm)
2. STEP SPEED AND THRUST CURVE



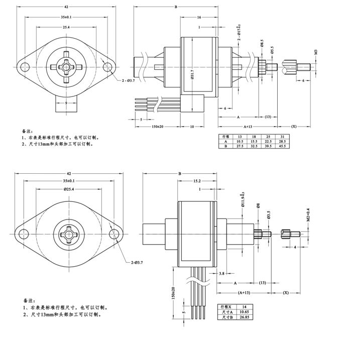
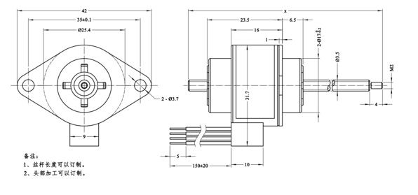
1. Available in three different shapes for Captive version

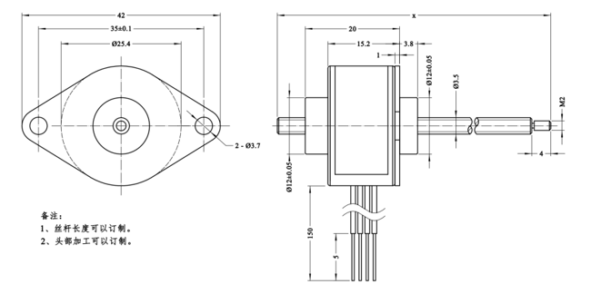
2. Available in two different shapes for Non-Captive version

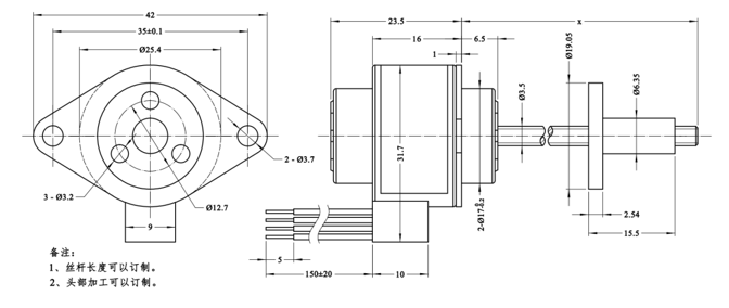
3. Available in two different shapes for External version

Copyright 2023 Copyright Jiangsu Fulling Motor Technology Co., Ltd.