星空外围足球网(

FL43HSV
Product Frameless motor

FL43HSV

Φ 43mm frameless motor, 36VDC
option:
  • FL43HSV
  • FL43HSV
  • FL43HSV
  • FL43HSV

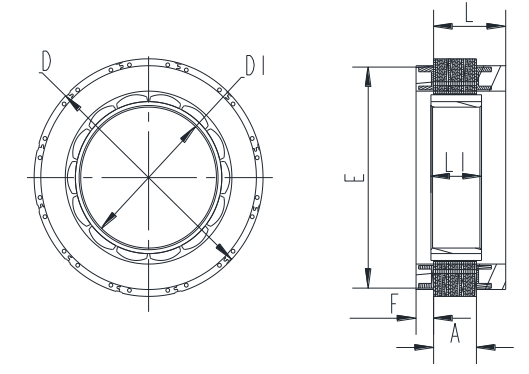
项目(Items)

FL43HSV08

公差(Tolerance)

定子外径D

43mm

+0/-0.05

定子长度L

13.5mm

±1

转子内径D1

25.5mm

+0.03

转子长度L1

9.5mm

±0.2

灌胶面外圆E

40.5mm

/

灌胶面高度F

3.3mm

MAX

定子铁芯高度A

8.0mm

/


特性概要 ( General Specifications )

绕组连接方式

( Winding Type )

星形 ( Star connection)

介电强度

( Dielectric Strength ) 

600VAC/1S.2mA

绝缘电阻

 ( Insulation Resistance )

100MΩ, 500VDC

环境温度

( Ambient Temperature )

-20°C   ~   +50°C

绝缘等级

(Insulation Class)

Class B


接线说明(Electric Connection)

引出线颜色

Color

引出线型号

Type

功能

Functions

白色 (WHT)

UL1332    

AWG26

NTC

白色 (WHT)

NTC

黄色  ( Yellow )

UL1332    

AWG24

U (   Phase U )

红色  ( Red )

V (   Phase V )

黑色  ( Black)

W (   Phase W )


电性能 (Electrical Specifications)


(Unit)

FL43HSV08-36V-5078-T

极数  ( Number   of poles )


14

相数  ( Number   of phases )


3

额定电压 ( Rated    voltage )        

VDC

36

额定转矩 ( Rated torque)       

N.m

0.15

额定电流(Rated current)                

A

2.0

额定速度 ( Rated speed )        

RPM

5000

额定功率 ( Rated power )        

W

78.5

最大转速(Maximum speed)              

RPM

7300

峰值转矩 ( Peak torque )         

N.m

0.45

峰值电流 ( Peak current )        

A

6.0

线电阻 ( Line to line resistance )             

ohms@20

2.8

线电感 ( Line to line inductance )             

mH 

1.8

转矩常数 ( Torque constant )        

Nm/A

0.077

反电势 ( Back EMF )          

Vrms/KRPM

4.65

重量 ( Weight )              

g

70

电气时间常数(Electrical time constant)   

ms

0.64

根据要求,该款电机可以设计和制造成定制的类型。
Motor size

image

Download

Copyright 2023 Copyright Jiangsu Fulling Motor Technology Co., Ltd.